CHẾ TẠO THIẾT BỊ SẢN XUẤT ĐÁ LỎNG TỪ NƯỚC BIỂN PHỤC VỤ CÔNG TÁC ĐÀO TẠO
TS. Lê Kim Anh; ThS. Huỳnh Minh Hoàng; ThS. Lê Thành Nhân
Trường Cao đẳng Công Thương miền Trung
Tóm tắt
Hiện nay ngư dân đánh bắt xa bờ thường sử dụng đá cây xay nhỏ để ướp lạnh giữ cá dài ngày trên biển. Những viên đá rắn này có cạnh, nên khi ướp cá thường gây trầy xước, hỏng bề mặt da cá cũng như làm giảm chất lượng đáng kể. Ngoài ra cũng không đảm bảo việc làm lạnh nhanh do sự tiếp xúc với đá chưa tốt hay thiếu sự đồng đều giữa các lớp cá do khe hở không tốt, khiến cá bị giảm phẩm chất khi đưa vào đến bờ. Từ những nhược điểm đã nêu, nhóm tác giả (TS. Trần Kim Quyên, TS. Lê Kim Anh, Ths. Huỳnh Minh Hoàng, Ths. Lê Thành Nhân)  đưa  ra  kết  quả nghiên cứu, thiết kế và chế tạo mô hình thiết bị sản xuất đá lỏng từ nước biển với những tinh thể đá lạnh rất nhỏ từ 0,1-1mm, mịn, có thể len lỏi vào mọi ngóc ngách trong hầm chứa, giúp vừa làm lạnh nhanh vừa không làm hư hỏng cá, giữ được chất lượng cá tốt.
1. Đặt vấn đề
Thủy sản là loại thực phẩm rất dễ bị hư hỏng, ngay cả khi được bảo quản dưới điều kiện lạnh, chất lượng cũng nhanh chóng bị biến đổi. Nhìn chung, để có được chất lượng tốt theo mong muốn, cá và các loài hải sản khác phải được đem đi tiêu thụ càng sớm càng tốt sau khi đánh bắt để tránh những biến đổi tạo thành mùi vị không mong muốn và giảm chất lượng do hoạt động của vi sinh vật. Vì vậy thủy sản thông thường chỉ nên bảo quản một thời gian ngắn để tránh giảm sự biến đổi chất lượng không mong muốn. Các thiết bị sản suất đá lỏng hiện nay ở nước ta chủ yếu nhập từ các nước khác, nên chi phí đầu tư lớn, chưa làm chủ công nghệ nên công tác bảo dưỡng sửa chữa gặp bất lợi. Nhóm tác giả đã thiết kế và chế tạo mô hình sản xuất đá lỏng từ nước biển với những ưu điểm sau:
Sử dụng đá lỏng trong ngành Thủy sản sẽ kéo dài được thời gian bảo quản  cá và duy trì cá ở nhiệt độ thấp trong suốt quá trình chế biến nhằm đảm bảo sản phẩm cuối cùng có chất lượng cao. Với công nghệ mới này, nếu được áp dụng trong đánh bắt cá xa bờ, thay vì các chủ tàu phải mua đá nước ngọt từ đất liền, sau đó xay nhỏ hoặc để nguyên cây trong khoang lạnh bảo quản trên tàu, thì chỉ cần lắp đặt hệ thống thiết bị trên tàu, đầu vào bơm nước biển, đầu ra sẽ là sản phẩm đá lỏng dùng để bảo quản cá.
Đá lỏng hoàn toàn bao phủ cá, giúp làm lạnh và duy trì nhiệt độ bảo quản ở – 10C đến -20C trong thời gian dài, giúp giữ chất lượng cá tốt hơn rất nhiều lần so với đá cây hay đá xay. Mặt khác đá lỏng không chọc thủng đến lớp da làm ảnh hưởng xấu đến chất lượng của cá giống như đá xay, đá vảy.
Đá lỏng sản xuất trực tiếp từ nước biển, sử dụng thiết bị nhỏ gọn được lắp đặt ngay trên tàu cá, giảm được tải trọng tàu, giúp ngư dân chủ động bám biển dài ngày. Đá lỏng có độ lạnh sâu, đảm bảo cá được làm lạnh đến phần lõi, nhanh, đồng đều, bảo đảm chất lượng tươi và màu sắc tự nhiên của cá sau đánh bắt. Bên cạnh đó, đá lỏng không có cạnh sắc nhọn nên không làm tổn thương bề mặt cá, dễ bảo quản, bốc dỡ, không gây va đập với hầm tàu khi rung lắc.
Trong quá trình hoạt động của tàu cá, thiết bị sản xuất đá lỏng không bị ảnh hưởng bởi độ rung lắc của tàu và không gây ra va đập giữa cá và thành hầm bảo quản.
2. Chế tạo thiết bị sản xuất đá lỏng từ nước biển
Chế tạo cối đá lỏng
Việc sản xuất nước đá lỏng từ nước biển có nhiều giải pháp khác nhau như: sản xuất liên tục, sản xuất từng mẻ. Tùy theo giải pháp sản xuất khác nhau mà có thể xây dựng sơ đồ thiết bị, cấu tạo của mô hình khác nhau. Mục tiêu của bài báo là nghiên cứu và chế tạo mô hình sản xuất đá lỏng từ nước biển có công suất 5 lít/giờ và sử dụng  giải  pháp sản xuất theo mẻ. Nhiệt độ nước biển đưa vào cối: 26oC. Nhiệt độ nước biển thành đá lỏng: -3oC. Nhiệt độ môi trường: 32oC. Nhiệt dung riêng nước muối (5%, nhiệt độ 26oC): 0,932cal/g. Khối lượng riêng của nước biển: 1030kg/m3.

Hình 1. Cấu tạo cối đá lỏng

   Hình 2. Cấu tạo thân cối Hình 3. Hình ảnh thân cối
Cối đá lỏng có dạng hình trụ tròn có đường kính trong d = 250mm, chiều cao 400mm, được làm bằng vật liệu chống ăn mòn Inox. Đường kính ngoài d= 450mm được làm bằng vật liệu Inox. Khoản trống bên trong giữa hai hình trụ được điền đầy bằng vật liệu cách nhiệt Polyurethane. Bên trong cối có lỗ xả Ø21mm nhằm đưa sản phẩm đá lỏng dạng sệt ra bên ngoài. Bên trên thiết kế nắp đậy có cách nhiệt dày 50mm nhằm giảm thất thoát nhiệt ra bên ngoài.
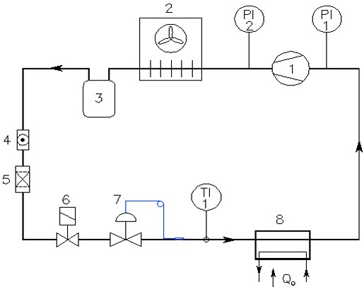
Sơ đồ thiết bị của hệ thống lạnh, mô tả sơ đồ thiết bị hệ thống lạnh của mô hình sản xuất đá lỏng từ nước biển. Ngoài các thiết thiết bị chính cho chu trình như máy nén, dàn ngưng tụ giải nhiệt gió, cối tạo nước đá lỏng, van tiết lưu thì chu trình còn có thêm một số thiết bị phụ hỗ trợ gồm: bình chứa cao áp, phin lọc, mắt gas, van điện từ,…

• Chú thích: 1-Máy nén ; 2-Dàn nóng; 3-Bình chứa cao áp; 4-Mắt gas; 5-Phin lọc; 6-Van điện từ; 7-Van tiết lưu; 8-Dàn bay hơi
                                    Hình 4. Sơ đồ thiết bị hệ thống lạnh sản xuất đá lỏng
Lắp đặt cụm dàn nóng
Bước 1: Lắp dàn ngưng tụ.
Bước 2: Lắp đặt máy nén.
Bước 3: Lắp các thiết bị: bình chứa cao áp, phin sấy/lọc, mắt gas, van điện từ, van tiết lưu, đường ống đồng kết nối các thiết bị.

Hình 5. Dàn ngưng tụ                                                                                                             Hình 6. Máy nén

Hình 7. Dàn nóng
Lắp đặt hệ thống truyền động
Thiết bị chính bao gồm: Động cơ DC 12V – 150W; Hộp giảm tốc; Bộ dao nạo đá.
Lắp đặt:
Bước 1: Cố định bộ dao nạo đá;
Bước 2: Cố định hộp giảm tốc và nối kết với trục dao nạo qua khớp nối;
Bước 3: Cố định động cơ.
Lắp đặt bộ dao nạo đá
Các chi tiết chính bao gồm: Trục chính: đường kính 16mm, vật liệu Inox 304; Bộ dao nạo: đĩa dao và cánh dao.
Lắp đặt:
Bước 1: Cố định đĩa dao lên trục chính, gắn cánh dao lên đĩa dao;
Bước 2: Cố định bộ dao nạo đá lên thân giá đỡ.

    Hình 8. Lắp đặt hệ thống truyền động                                                              Hình 9. Lắp đặt bộ dao nạo đá

              Hình 10. Mô hình sản xuất đá lỏng từ nước biển
3.Thực nghiệm khảo sát mô hình tạo đá lỏng từ nước biển
Thông số thực nghiệm
Thiết bị: mô hình sản xuất đá lỏng với năng suất lạnh: 600W; dung tích cối làm đá lỏng: 20 lít; môi chất: R404A.
Chất cần làm lạnh: nước biển tự nhiên thể tích: 18 lít; nhiệt độ ban đầu: 260C; độ mặn: 3% ; 3,5% ; 4%.
Môi trường: nhiệt độ không khí 300C.
Kết quả thực nghiệm
Bảng: Kết quả khảo sát thực nghiệm nhiệt độ và thời gian tạo đá lỏng với các dung dịch nước biển khác nhau: 3%; 3,5%; 4%.
| 
 
  | 
Thời gian (giờ) | ||||||||||
| Nhiệt độ | 
 0  | 
0.5 | 1 | 1.5 | 2 | 2.5 | 3 | 3.5 | 4 | 4.5 | 
 5  | 
| Nước biển 3% | 
 26  | 
16 | 10 | 5 | 2.5 | 0.9 | 0 | -1.8 | -2.8 | -3 | -3.1 | 
| Nước biển 3,5% | 
 26  | 
20 | 13 | 4 | 1.2 | -1 | -2.2 | 
 -2.9  | 
-3.5 | -3.5 | 
 -3.6  | 
| Nước biển 4% | 
 26  | 
21 | 14 | 6 | 2 | -1 | -2.3 | -2.5 | -4.0 | -4.1 | 
 -4.1  | 

Hình 11. Đồ thị quan hệ nhiệt độ và thời gian làm đá lỏng từ nước biển
Qua hình 11 ta thấy, tốc độ làm lạnh nước biển 4% gần giống như nước biển 3%. Tuy nhiên nhiệt độ thấp nhất đạt được lúc chuyển pha là khoảng -4,10C, thấp hơn nước biển 3%. Trong thời gian còn lại (1,5 giờ) đến nhiệt độ chuyển từ pha, nước biển hầu như giảm nhiệt độ rất ít -2,90C -> -3,60C : ∆t = 0,70C. Giai đoạn đầu (khoảng 2 giờ) có tốc độ hạ nhiệt độ gần như nhau và giảm mạnh. Giai đoạn còn lại hay từ lúc đạt khoảng 10C, sự giảm nhiệt độ rất chậm. Nhiệt độ đá lỏng thay đổi với các độ mặn khác nhau, độ mặn càng cao, nhiệt độ đá lỏng càng thấp giúp bảo quản tốt hơn.
4. So sánh kết quả đá lỏng và đá xay để bảo quản cá
Khảo sát thời gian làm lạnh
Dùng mô hình sản xuất đá lỏng từ nước biển được thực hiện ngay tại doanh nghiệp để bảo quản cá ngừ, so sánh kết quả với phướng pháp công ty hiện đang dùng bảo quản cá ngừ bằng đá xay.
Các mẫu cá được chọn phải có cùng kích thước, trọng lượng, chủng loại, thu hoạch nhập về cùng lúc.
Thời gian tiến hành cùng thời điểm cho các mẫu.
Thông số cần thu thập: nhiệt độ trong thân cá theo thời gian.
Thời gian thực nghiệm: không quá 3 ngày, để không ảnh hưởng xấu đến chất lượng cá sau chế biến thành phẩm.
Nhiệt kế: loại chuyên dụng để đo được vị trí bên trong lòng cá.

Hình 12. Bảo quản cá bằng đá vảy                                                                            Hình 13. Bảo quản cá bằng đá lỏng

Hình 14. Đá vảy kết quả đo 2,10C                                                                               Hình 15. Đá lỏng kết quả đo 1,30C
Qua kết quả đo đạt nhiệt độ đã cho ta thấy rằng: Tốc độ hạ nhiệt trong thân cá bằng đá lỏng diễn ra mạnh hơn. Sau 24 giờ bảo quản thích hợp, cho ta cá được bảo quản đá xay đạt nhiệt độ tâm 2.10C trong khi đá lỏng đạt 1.30C. Điều này cho thấy rằng bảo quản bằng đá lỏng trước khi mổ chế biến cá sẽ cho chất lượng tốt hơn.
Đánh giá bằng trực quan chất lượng cá được bảo quản

Hình 16. Bảo quản cá bằng đá xay                                                                            Hình 17. Bảo quản cá bằng đá lỏng
5.  Kết luận
Ưu điểm của mô hình sản xuất đá lỏng từ nước biển so với đá nước ngọt truyền thống chính là đã tạo ra sản phẩm đá dạng lỏng. Đá lỏng là hỗn hợp gồm hàng triệu tinh thể đá có đường kính từ 0,1-1mm, được duy trì trong dải nhiệt độ từ  -60C đến – 20C. Do vậy, đã bảo quản cá và duy trì cá ở nhiệt độ thấp trong suốt quá trình chế biến nhằm đảm bảo sản phẩm cuối cùng có chất lượng cao.
Trong thời gian đến nhóm tác giả tiếp tục nghiên cứu, tìm tòi thêm nguyên liệu sản xuất máy để chống ăn mòn trong điều kiện hoạt động dài ngày ở môi trường biển. Bên cạnh đó, cần phải có sự đầu tư vốn của Nhà nước hoặc liên kết với doanh nghiệp liên quan đến hoạt động thủy sản để tiếp tục nghiên cứu sản xuất thử nghiệm.
Tài liệu tham khảo
1.Phạm Văn Huấn, Cơ sở hải dương học, Nxb khoa học và kỹ thuật Hà Nội, 1991.
2.Nguyễn Đức Lợi, Hướng dẫn thiết kế hệ thống lạnh, Nhà xuất bản khoa học và kỹ thuật Hà Nội, 2005.
3.Nguyễn Đức Lợi, Ga, dầu và chất tải lạnh, NXB Giáo dục, 2007
4.Nguyễn Đức Lợi, Giáo trình kỹ thuật lạnh, NXB Bách khoa – Hà Nội, 2014
5. Phạm Lê Dần, Bùi Hải, Nhiệt động kỹ thuật, NXB khoa học và kỹ thuật, 2000.
6. Nguyễn Văn May, Bơm, Quạt, Máy nén, NXB Khoa học và Kỹ thuật, Hà Nội 2010.
7. GS.TSKH Trần Đức Ba, TS Nguyễn Văn Tài, TS Trần Thu Hà, Giáo trình Công nghệ lạnh thủy sản, Nxb Đại học quốc gia TP HCM, 2016.
8. ThS Nguyễn Tấn Dũng, TS Trần Văn Dũng, ThS Trần Ngọc Hào, GS.TSKH Trần Đức Ba, Công nghệ lạnh ứng dụng trong sản xuất nước đá, đá khô và nước giải khát, Nxb Đại học quốc gia TP HCM, 2015.
9. GS.TSKH Trần Đức Ba, Công nghệ lạnh thủy sản. Nxb ĐHQG TPHCM, 2017.
10.TS. Nguyễn Xuân Phương, Kỹ thuật lạnh thực phẩm. Nxb khoa học và kỹ thuật, Hà Nội 2014.
11.Đinh Văn Thuận, Võ Chí Chính, Hệ thống máy và thiết bị lạnh, Nxb khoa học và kỹ thuật, Hà Nội 2014.
12.http://techport.vn/2-cong-nghe-thiet-bi/1/thiet-bi-san-xuat-nuoc-da-set-tu-nuoc- bien-duoc-lap-dat-truc-tiep-tren-tau-danh-bat-xa-bo-cong-suat-4-6-8-12-tan-ngay– 4326.html
13.http://www.baokhanhhoa.vn/doi-song/201603/trien-vong-tu-san-xuat-nuoc-da- set-tren-tau-ca-2429356/